Skip to content
Bainbridge
About
Menu Toggle
Services
Menu Toggle
Custom Tooling
Careers
FAQ
Menu Toggle
ANSI/BHMA/KCMA
Shipping and Returns
Privacy Policy
Contact
All Products
Menu Toggle
DOWNLOAD PDF CATALOG
Caps Covers and Plugs
Corner Brace
Corner Protector
Desk Grommets
Divider Clip
Door Catches & Clips
Drawer Bumper
Drawer Glide
Drawer Pulls
Drawer Slide Spacer
Drawer Slide Sockets
False Front Hardware
Finishing Grommet
Glass Clip
Lock Catch Hinge Spacers
Mirror & Panel Clips
Misc. Hardware
Pole Socket
Shelf Hold Down
Shelf Supports
Slide Glide
Stops Latches Openers
Vent Grill
Window & Screen Clips
Search for:
Search
Search
Main Menu
About
ANSI/BHMA/KCMA
ANSI/BHMA/KCMA
Bainbridge
Careers
Careers
Cart
Cart
Catalog
Checkout
Checkout
Contact
Contact
Custom Tooling
Custom Tooling
FAQ
FAQ’s
Home
Login/Create Your BMI Account
My account
My account
My account
Office Hours & Location Bainbridge Manufacturing, Inc.
Privacy Policy
Privacy Policy
Products
Sample Page
Services
Services
Shipping and Returns
Shipping and Returns
Shop
Shop
Shop
Welcome To Bainbridge Manufacturing, Inc.!
Home
/
Window & Screen Clips
/ 1820 Screen Clip flush
Window & Screen Clips
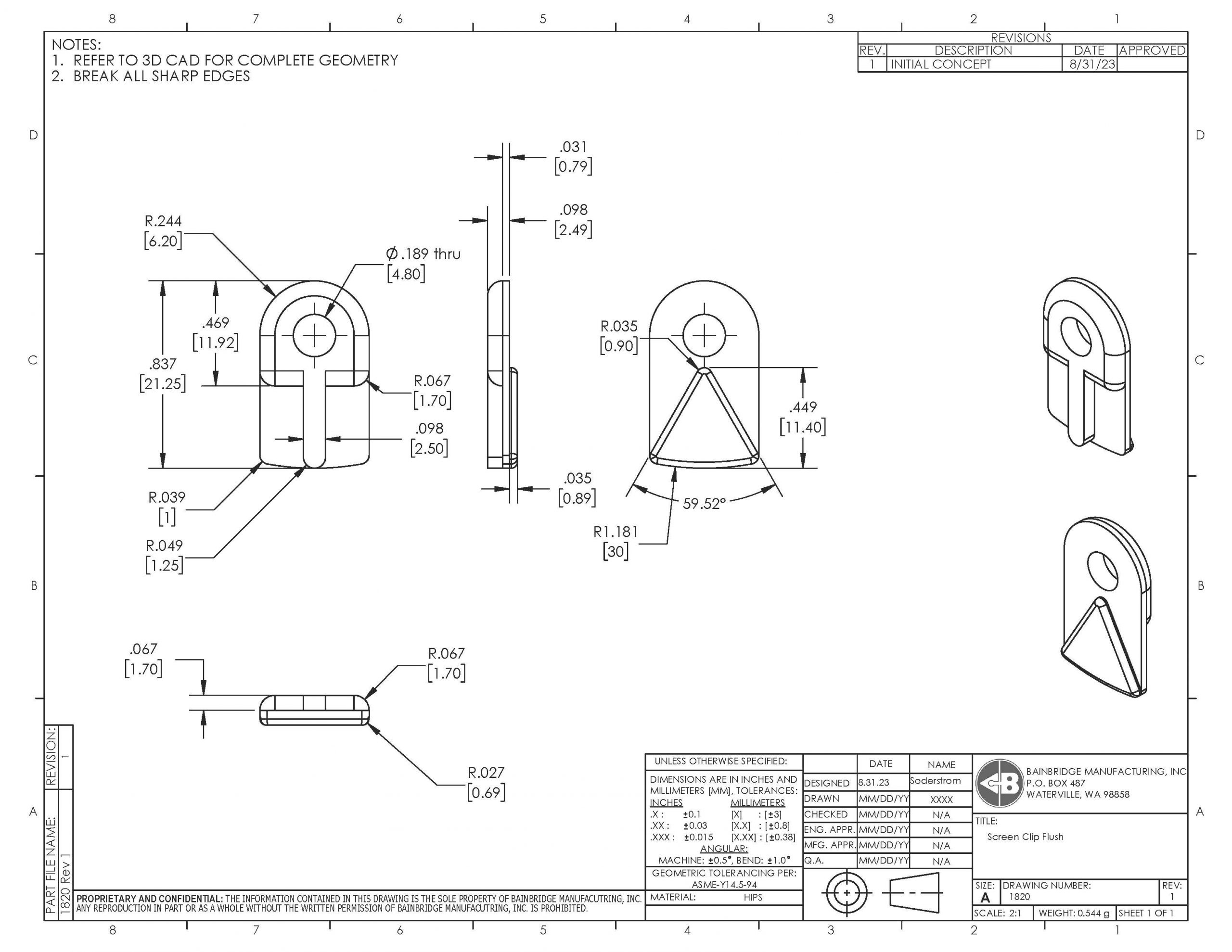
1820 Screen Clip flush
Category:
Window & Screen Clips
Description
Plastic Flush Mount Screen Clip For Screen, Glass Or Door Panel.
Related products
Read more
Window & Screen Clips
1863 Screen Clip 1-3/16″
Read more
Window & Screen Clips
1856 Screen Clip 3/8″
Read more
Window & Screen Clips
1851 Screen Clip 7/16″
Read more
Window & Screen Clips
1858 Screen Clip 1/16″
Scroll to Top