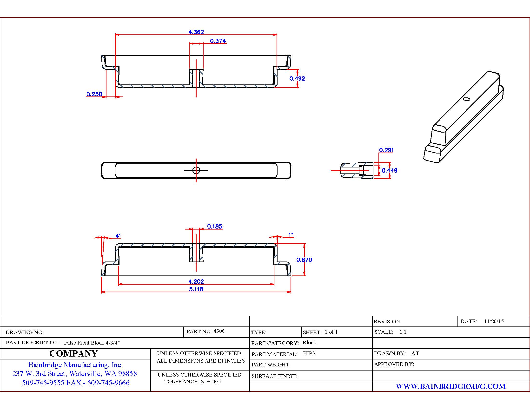
Plastic False Front Block for attaching false front panel to cabinet with 1/2″ thick face frame and 4-1/2″ drawer opening height. *Formerly Part #1982
False Front Hardware
4306 False Front Block 1/2″ X 4-1/2″ $44.00 / 100
Category: False Front Hardware







