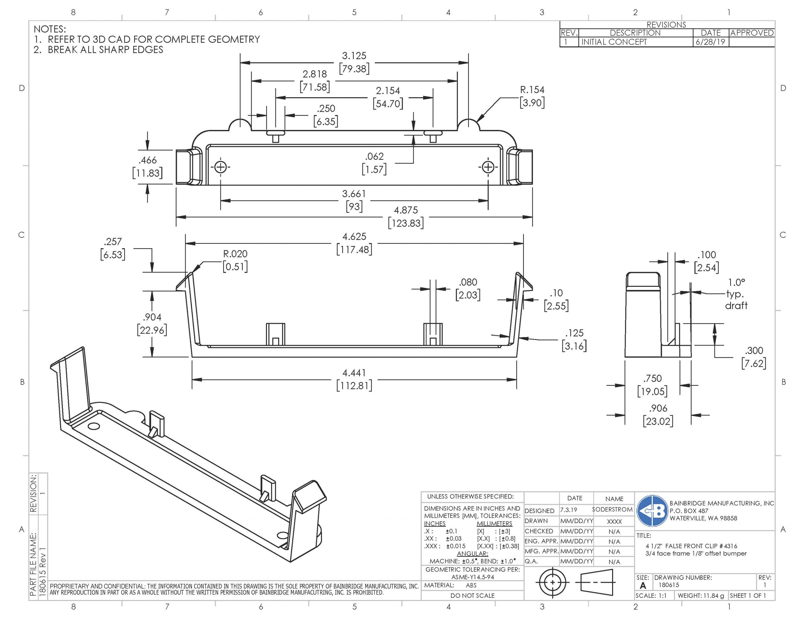
Plastic False Front Clip for attaching false front panel to cabinet with 3/4″ thick face frame and 4-1/2″ drawer opening height. Designed to hold false front 1/8″ offset from face frame. Easy 2 finger removal for future adjustments. Staple or screw in place. *Formerly Part #4309





