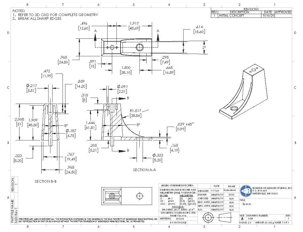
Plastic 2″ thick drawer slide spacer with 1/4″ hole and 5mm peg uniquely spaced 1-1/2″ apart. Commonly used with slide out trays mounted to base of cabinet.
Drawer Slide Spacer
3620 Drawer Slide Spacer 2″ $305.00 / 500
Category: Drawer Slide Spacer
Tag: Drawer Hardware










